
基于应变的 T22 扭矩传感器采用非接触式传输技术,量程从 0-0.5 Nm 最大到 0-1 kNm。结构紧凑,适合旋转和非旋转部件进行动态和静态扭矩测量。其带有两个模拟输出(电流和电压), T22 可非常简单地连接到可编程逻辑控制器(PLC),因此非常适合用于生产和过程监控。
T22 扭矩传感器新增了三个量程:0.5 Nm, 1 Nm, 和 2 Nm。其适合较小扭矩测量,例如医疗工程,轴承测试台及材料,手感值测试等。


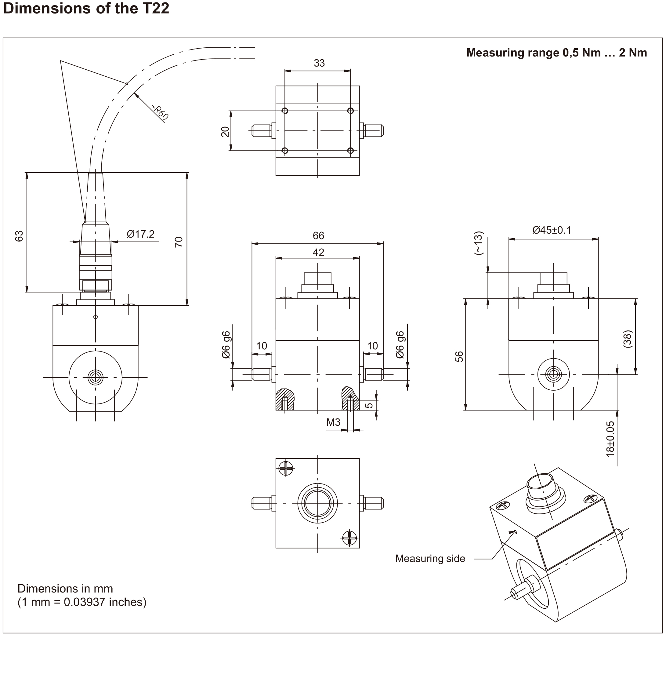
T22/0.5NM
T22/1NM
T22/2NM
T22/5NM
T22/10NM
T22/20NM
T22/50NM
T22/100NM
T22/200NM
T22/500NM
T22/1KNM
T22/0.5NM
T22/1NM
T22/2NM
T22/5NM
T22/10NM
T22/20NM
T22/50NM
T22/100NM
T22/200NM
T22/500NM
T22/1KNM
选配5m线缆: 3-3301.0158